鉄骨 塗装面積係数 (292 無料画像)

x

鈴鹿市にて錆びの発生した鉄骨の塗装工事を行いました四日市市、桑名市の屋根リフォーム、雨漏り修理は街の屋根やさんへ。

好きです: 429

郡山市 より正確な面積を 高橋 外壁塗装・屋根塗装・塗替え専門店プロタイムズ郡山店郡山市の外壁塗装・屋根塗装 はプロタイムズ郡山店へお任せください。

好きです: 395

屋根の面積の出し方、簡単に計算する方法を教えます街の屋根やさん東京。

好きです: 482

2025年最新 外壁塗装の相場は?20坪~60坪での適正価格やシミュレーションに役立つ算出方法東京の外壁塗装・屋根塗装、塗り替えは街の外壁塗装 やさん東東京店へ。

好きです: 498

鉄骨の塗装にかかる単価はいくら?1㎡あたりの費用を表で紹介ぬりマッチ。

好きです: 465

構造特性係数のS造とRC造の値の違い 暗記カードゼロ所長 ゼロ所長と学び直す構造力学。

好きです: 47

単 価 契 約 書。

好きです: 497

折板屋根の塗装面積を正確に求めるには❓形状により係数が異なる。

好きです: 297

形鋼の形状・単位重量・表面積。

好きです: 358

塗装係数:QLデッキ。

好きです: 327

塗装工事においてH-150×150×7×10 長さ1580mm の- Yahoo!知恵袋。

好きです: 335

高力ボルトのQ&A - 高力ボルト協会。

好きです: 189

鈴鹿市にて錆びの発生した鉄骨の塗装工事を行いました四日市市、桑名市の屋根リフォーム、雨漏り修理は街の屋根やさんへ。

好きです: 136

錆の広がりを抑える鉄部塗装鉄骨階段・手すりの劣化対策と錆止め塗装の重要性。

好きです: 304

工場や倉庫で使われる折板屋根の塗装メンテナンスと知っておきたい面積の求め方飯田市、伊那市の外壁塗装、防水工事なら街の外壁塗装やさん飯田・伊那店。

好きです: 242

H23 建築積算士 一次試験 Ⅱ-26_解説がんばれぇぇ。

好きです: 62

高力ボルトのQ&A - 高力ボルト協会。

好きです: 316

神戸市兵庫区 錆びた鉄骨階段の防水塗装工事をご紹介します!神戸、明石市で屋根工事、屋根リフォームなら街の屋根やさん神戸西店。

好きです: 475

折板屋根の塗装費用と単価内訳は?できるだけ安く塗装する方法も紹介三州瓦の神清愛知で創業150年超。地震や台風に強い防災瓦・軽量瓦・天窓・雨漏・リフォームなど屋根のことならなんでもご相談ください。

好きです: 388

戸建てから工場・倉庫、複雑な形状の屋根の面積を簡単に算出する方法 街の屋根やさん東京。

好きです: 367

塗り替え前に知っておきたい、外壁と屋根の面積の求め方東京の外壁塗装・屋根塗装、塗り替えは街の外壁塗装やさん東東京店へ。

好きです: 113

鉄骨積算関連計算アラカルト│有限会社 丸十。

好きです: 142

鉄骨造の構造経済設計〜経済的な部材の選定方法。

好きです: 178

外壁・屋根塗装マニュアル4:塗料の単価・特徴や費用相場を徹底解説有限会社エクセイト研究所。

好きです: 379

htakeアプリ:応用 鋼材のton当りの塗装面積を調べる。

好きです: 88

鉄骨階段の錆・塗装の劣化が招く危険性DIYによる施工はおすすめ出来ません。

好きです: 490

塗り替え前に知っておきたい、外壁と屋根の面積の求め方東京の外壁塗装・屋根塗装、塗り替えは街の外壁塗装やさん東東京店へ。

好きです: 138

鉄部塗装にかかる価格を部位別に解説 - 横浜市の外壁塗装、外壁リフォーム店カベトップ。

好きです: 443

2025年最新 外壁塗装の相場は?20坪~60坪での見積り金額や塗料ごとの費用を紹介飯田市、伊那市の外壁塗装、防水工事なら街の外壁塗装 やさん飯田・伊那店。

好きです: 58

形鋼の形状・単位重量・表面積。

好きです: 387

久しぶりに描きました!建具の塗装係数です。私用の範囲内でご参考にされてくださいませ。建築積算建築積算漫画建築積算ドットコム漫画漫画ブログ株式会社音月。

好きです: 110

製作基準改正有限会社大野鉄工所群馬県鉄骨ファブリケータ―。

好きです: 42

折板屋根の面積はどう出す?係数を使った正しい計算方法を解説!千葉の外壁塗装・屋根塗装、塗り替えは街の外壁塗装やさん千葉本店へ。

好きです: 392

外壁塗装 塗装工事 「工事の価格表」。

好きです: 294

神戸市灘区 見積書公開!施工面積65㎡ 鉄骨造戸建て 塩ビシート防水工事。

好きです: 288

折板屋根の面積はどう出す?係数を使った正しい計算方法を解説!千葉の外壁塗装・屋根塗装、塗り替えは街の外壁塗装やさん千葉本店へ。

好きです: 74

ガイナ坂口塗装。

好きです: 421

貝塚市の鉄骨のガレージの塗装や防水の現地調査について岸和田、和泉市で屋根の補修・リフォームなら街の屋根やさん。

好きです: 21

鉄骨Q&A。

好きです: 354

119 鉄骨施工図 鉄骨積算図面の作成施工図屋さん。

好きです: 195

塗り替え前に知っておきたい、外壁と屋根の面積の求め方山梨・甲府市の外壁リフォーム・塗り替えなら街の外壁塗装やさん山梨店。

好きです: 60

外壁塗装 塗装工事 「工事の価格表」。

好きです: 441

形鋼の形状・単位重量・表面積。

好きです: 223

外壁塗装の費用相場と面積計算法を徹底解説塗料・足場・補修含む全体費用マンション大規模修繕・防水工事・外壁塗装なら新東亜工業へ。

好きです: 280

折板屋根の屋根面積の求め方。係数を使って簡単計算!街の外壁塗装やさん横浜店。

好きです: 457

富士吉田市でカーポート折板屋根と鉄骨を塗装、裏側は結露防止塗装!雨樋交換も実施山梨市、甲府市で屋根の点検やリフォームなら街の屋根やさん山梨店。

好きです: 289

大和郡山市 店舗 鉄骨と看板の錆が気になり色褪せてきたので塗装してほしい大和郡山市、天理市、桜井市の屋根工事・修理は街の屋根やさん奈良南店。

好きです: 18

外壁塗装 塗装工事 「工事の価格表」。

好きです: 97

折板屋根の屋根面積の求め方。係数を使って簡単計算!街の外壁塗装やさん横浜店。

好きです: 279

鉄骨Q&A。

好きです: 400

塗り替え前に知っておきたい、外壁と屋根の面積の求め方沼津・富士市の外壁塗装、外装リフォームは街の外壁塗装やさん沼津店。

好きです: 303

門真市にて鉄骨階段の塗装工事、ケレン作業を行いました堺市で屋根リフォーム・雨漏り修理なら街の屋根やさん堺店。

好きです: 58

鉄骨の塗装にかかる単価はいくら?1㎡あたりの費用を表で紹介ぬりマッチ。

好きです: 358

やさしく学べる 構造計算略算法 「鉄骨造」梁の断面算定一級建築士の情報発信室 999。

好きです: 243

塗装系を5種類以上指定する – 有限会社 構造技術研究所。

好きです: 48

外壁塗装の相場とお見積書の仕組みを一挙紹介千葉の外壁塗装・屋根塗装、塗り替えは街の外壁塗装やさん千葉本店へ。

好きです: 292

飯塚市 鉄骨・デッキプレートの塗装 - 未来美創。

好きです: 221

折板屋根の屋根面積の求め方。係数を使って簡単計算!街の外壁塗装やさん横浜店。

好きです: 108

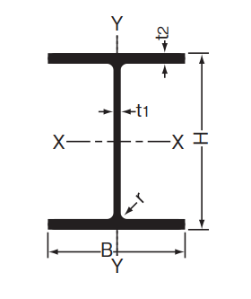
H形鋼の標準断面寸法とその断面積・単位質量・断面特性JIS G 3192-1990。

好きです: 414

塗り替え前に知っておきたい、外壁と屋根の面積の求め方東京の外壁塗装・屋根塗装、塗り替えは街の外壁塗装やさん東東京店へ。

好きです: 476

外壁塗装の相場。

好きです: 410

外壁・屋根塗装マニュアル4:塗料の単価・特徴や費用相場を徹底解説有限会社エクセイト研究所。

好きです: 58

外壁塗装の費用相場と面積計算法を徹底解説塗料・足場・補修含む全体費用マンション大規模修繕・防水工事・外壁塗装なら新東亜工業へ。

好きです: 244

折板屋根の塗装面積を正確に求めるには❓形状により係数が異なる。

好きです: 472

鈴鹿市にて錆びの発生した鉄骨の塗装工事を行いました四日市市、桑名市の屋根リフォーム、雨漏り修理は街の屋根やさんへ。

好きです: 221

ストライプ状凹凸面の塗装係数を計算。

好きです: 298

鉄骨ガレージ塗装工事 価格 見積もり 羽曳野市 富田林市。

好きです: 297

他のフォトギャラリー:

鉄骨 塗装面積係数
会社名
光都スタジオ
場所: 2878 鈴木Square, Suite 846, 252-6942, 山田町, 京都府, Japan
お電話でお問い合わせ: +81 70-3860-9529